Напольный люк с электроприводом 700*1600 в Оренбурге



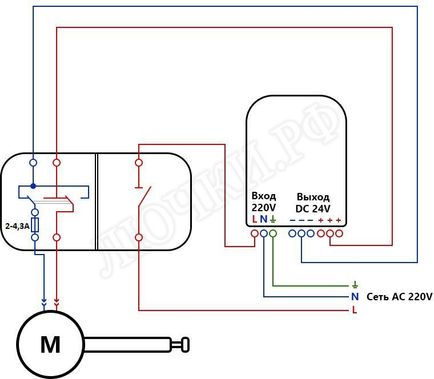
В комплект входит проводка только от блока управления до люка
Общие параметры
Доска;
Ламинат;
Паркет
Блок управления;
Проводка
Длина: 150 мм
В комплект входит проводка только от блока управления до люка
Размеры
Длина: 1600 мм;
Глубина: 75 мм
Длина: 1750 мм;
Глубина: 240 мм
Длина: 1544 мм
Длина: 1590 мм
Погрешность при производстве может составлять +- 2 мм.
Производитель на свое усмотрение и без дополнительных уведомлений может менять комплектацию, внешний вид и технические характеристики модели.
Услуги замера и монтажа временно не предоставляются
Приносим извинения за возможные неудобства
Стоимость работ по монтажу
| Стоимость работ по монтажу люков | ||||
|---|---|---|---|---|
| Модель | Стоимость работ | Стоимость материала для монтажа | ||
| Напольный | ||||
| Съемный | от 8000 | от 2000 | ||
| На петле | ||||
| Настенный | ||||
| Металлический сантехнический размеры от 200 до 500мм | от 500 | от 200 | ||
| Металлический сантехнический размеры от 500 до 1000мм | от 1000 | от 500 | ||
| Под плитку размеры от 200 до 500 мм | от 2500 | от 500 | ||
| Под плитку размеры от 500 до 1000 мм | от 3500 | от 1000 | ||
| Под покраску размеры от 200 до 500 мм | от 2500 | от 500 | ||
| Под покраску размеры от 500 до 1000 мм | от 3500 | от 1000 | ||
| Потолочный | ||||
| Под покраску от 200 до 500 мм | от 2500 | от 500 | ||
| Под покраску от 500 до 1000 мм | от 3000 | от 1000 | ||
| Стоимость работ по установке чердачных лестниц | ||||
| Тип работ | Стоимость работ | |||
| Деревянные чердачные лестницы, установка в готовый проем | 5000 ₽ | |||
| Металлические чердачные лестницы, установка в готовый проем | 7500 ₽ | |||
| Подготовка проема под установку лестнице (в зависимости от сложности работ, кроме бетонных проемов) | от 2000 до 5000 ₽ | |||
| Подготовка проема в бетонном перекрытии | от 5000 | |||
| Стоимость услуг по установке окон-люков | ||||
| Тип работ | Стоимость работ | |||
| Установка окон-люков в готовый проем без подведения кровельного покрытия | 5000 ₽ | |||
| Установка окон-люков в готовый проем без подведения кровельного покрытия с переносом стропильной системы | 8000 ₽ | |||
| Установка окон-люков в готовый кровельный пирог (Битумная, натуральная, металлочерепица) | 10000 ₽ | |||
| Установка окон-люков в готовый кровельный пирог с переносом стропильной системы (Битумная, натуральная, металлочерепица) | 13000 ₽ | |||
| Установка окон-люков в фальцевую кровлю (Клик фальц, двойной стоящий фальц, оцинковка и т.п.) | от 18000 ₽ | |||
В стоимость работ не входит:
- Укладка плитки;
- Шпатлевка;
- Подготовка проема;
- Укрепление проема;
- Утепление люка.
ВНИМАНИЕ! Дополнение по установке и замеру чердачных лестниц: Выезд на замер осуществляется платно, до первого малого бетонного кольца 1 500 ₽, от малого и далее по Московской области 2 000 ₽.
* Стоимость монтажа и установочных работ может отличаться от прайса. Подробную информацию уточняйте у менеджеров магазина.
* Расходный материал при установке чердачных лестниц в стоимость монтажа не входит и расчитывается индивидуально.



+7 (977) 090-10-90




















































































































































































